Yardman Lawn Mower Parts Manual : Outdoor Power Equipment Manuals Guides Home Garden Vintage Yard Man 25 Riding Lawn Mower Operating Parts Manual 3170 1 / Here are a few tips to make sure your mower is prepared.

Info Populer 2022

Yardman Lawn Mower Parts Manual : Outdoor Power Equipment Manuals Guides Home Garden Vintage Yard Man 25 Riding Lawn Mower Operating Parts Manual 3170 1 / Here are a few tips to make sure your mower is prepared.

Yardman Lawn Mower Parts Manual : Outdoor Power Equipment Manuals Guides Home Garden Vintage Yard Man 25 Riding Lawn Mower Operating Parts Manual 3170 1 / Here are a few tips to make sure your mower is prepared.
Yardman Lawn Mower Parts Manual : Outdoor Power Equipment Manuals Guides Home Garden Vintage Yard Man 25 Riding Lawn Mower Operating Parts Manual 3170 1 / Here are a few tips to make sure your mower is prepared.

Yardman Lawn Mower Parts Manual : Outdoor Power Equipment Manuals Guides Home Garden Vintage Yard Man 25 Riding Lawn Mower Operating Parts Manual 3170 1 / Here are a few tips to make sure your mower is prepared.. Before you know it, you may find yourself on an indiana jones treasure hunt. Enter your yardman model number below. Click the search button to see more results. Search for your yardman model. Troubleshooting when your lawn mower will not start.

This is a genuine oem replacement part, it is sold individually. 135v694h401, 135x694g401, n604f, v694h, x694g. 13, 19 and 15 hp hydrostatic lawn tractor. Search for your yardman model. 320 series riding mower internal bagging system.

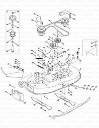
Yard Man Lawn Mower 126 849c401 Ereplacementparts Com
Yard Man Lawn Mower 126 849c401 Ereplacementparts Com from www.ereplacementparts.com
Click the search button to see more results. Operating instructions and parts list. In stock, 25+ available in stock, 25+ available. How to access old mower manuals. 13, 19 and 15 hp hydrostatic lawn tractor. 135n604f401 lawn mower pdf manual download. Mtd cub cadet 1000 1500 series tractor service manual. We carry everything for your machine and the parts diagram helps visualize every component found in your equipment.

Mtd cub cadet 1000 1500 series tractor service manual.

This is a genuine oem replacement part, it is sold individually. How to find your yardman model number >. With proper maintenance and upkeep, you can expect to enjoy the capabilities these lawn machines have to offer for many years to come. This is the most current. Troubleshooting when your lawn mower will not start. We carry everything for your machine and the parts diagram helps visualize every component found in your equipment. Enter your yardman model number below. Questions & answers page a. Learn which maintenance tasks you should perform on your riding lawn mower to get it ready for spring. Search for your yardman model. Jack's carries a wide selection of yardman replacement parts including, baffles, belts, blades, decks, fenders, gear cases, idlers, shear pins, triggers, and more. We carry everything for your machine and the parts diagram helps visualize every component found in your equipment. Our diverse lineup of quality lawn equipment with great features gets the job done fast, allowing you to focus on what's important in life.

Knowing your outdoor power equipment's model number and serial number will ensure that you find the correct operator's manual for your equipment In stock, 25+ available in stock, 25+ available. If you bought your lawn mower, trimmer, or other lawn and garden equipment a long time ago, it may be tough to find your manual. Before you know it, you may find yourself on an indiana jones treasure hunt. Routine lawn mower maintenance, like changing your oil, can help extend the life of your machine.

2003 Yard Man Mtd Lawn Tractor Illustrated Parts Manual On Popscreen
2003 Yard Man Mtd Lawn Tractor Illustrated Parts Manual On Popscreen from i17.ebayimg.com
Routine lawn mower maintenance, like changing your oil, can help extend the life of your machine. Jack's carries a wide selection of yardman replacement parts including, baffles, belts, blades, decks, fenders, gear cases, idlers, shear pins, triggers, and more. If you bought your lawn mower, trimmer, or other lawn and garden equipment a long time ago, it may be tough to find your manual. Buy now parts manuals diagrams parts. Operating instructions and parts list. 13, 19 and 15 hp hydrostatic lawn tractor. Parts lookup for yardman power equipment is simpler than ever. This is a genuine oem replacement part, it is sold individually.

33939 views • sep 22, 2017 • faq.

Enter your model number in the search box above or just choose from the list below. Mtd cub cadet 2000 series tractor service manual. Questions & answers page a. Learn which maintenance tasks you should perform on your riding lawn mower to get it ready for spring. Mtd cub cadet 1000 1500 series tractor service manual. Our lawn mower manual library might not be as old as raiders of the lost ark, but it expands every day. 33939 views • sep 22, 2017 • faq. Enter your yardman model number below. We carry everything for your machine and the parts diagram helps visualize every component found in your equipment. How to access old mower manuals. Knowing your outdoor power equipment's model number and serial number will ensure that you find the correct operator's manual for your equipment Fig # a1 control handle. Parts lookup for yardman power equipment is simpler than ever.

In stock, 25+ available in stock, 25+ available. Buy now parts manuals diagrams parts. This is the most current. The control cable connects to the control handle of the lawn mower. 135n604f401 lawn mower pdf manual download.

Yard Man Lawn Mower 11a 54mb055 Ereplacementparts Com
Yard Man Lawn Mower 11a 54mb055 Ereplacementparts Com from www.ereplacementparts.com
Troubleshooting when your lawn mower will not start. Learn which maintenance tasks you should perform on your riding lawn mower to get it ready for spring. In stock, 25+ available in stock, 25+ available. Our diverse lineup of quality lawn equipment with great features gets the job done fast, allowing you to focus on what's important in life. 135n604f401 lawn mower pdf manual download. Operating instructions and parts list. We carry everything for your machine and the parts diagram helps visualize every component found in your equipment. Fig # a1 control handle.

Routine lawn mower maintenance, like changing your oil, can help extend the life of your machine.

If you bought your lawn mower, trimmer, or other lawn and garden equipment a long time ago, it may be tough to find your manual. Our diverse lineup of quality lawn equipment with great features gets the job done fast, allowing you to focus on what's important in life. 247.27432 lawn mower pdf manual download. With proper maintenance and upkeep, you can expect to enjoy the capabilities these lawn machines have to offer for many years to come. Routine lawn mower maintenance, like changing your oil, can help extend the life of your machine. 135n604f401 lawn mower pdf manual download. 13, 19 and 15 hp hydrostatic lawn tractor. This is a genuine oem replacement part, it is sold individually. Parts lookup for yardman power equipment is simpler than ever. Troubleshooting when your lawn mower will not start. Mtd cub cadet 1000 1500 series tractor service manual. When the control handle is engaged the mower blade will begin to rotate, when the handle is released the blade will stop. Before you know it, you may find yourself on an indiana jones treasure hunt.

Advertisement

Iklan Sidebar